連接件模型
Connector Model
Connector Model
聯系APAS / Contact us
- 地址:天津市西青經濟技術開發區賽達國際工業城A3-2.
- 郵箱:lxc@apas.com.cn
- 電話:022-87920088
- 傳真:請聯系網絡管理員
- 郵編:300385
- 咨詢熱線:13702119190(24小時服務熱線)
連接件模型
/ Connector Model

30系列鋁型材活動鉸鏈3d模型
產品描述 / Name
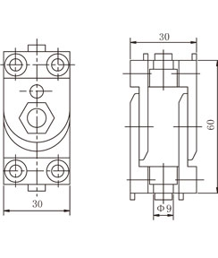
3030規格鋁型材活動鉸鏈適用于鋁型材框架結構活動鏈接,活動最大范圍可達到180度,用于一些特殊結構的緊固連接,可以下載活動鉸鏈SLDWORKS三維模型進行鋁型材框架設計組裝;
022-87920099
可以根據需求進行設計加工,提供上門安裝服務;可以根據特殊需求進行鋁型材開模定制。
* 免費提供工業鋁型材選型手冊 →點擊咨詢
內容來源:http://m.jiaoyu0311.com 作者:武將 發布日期:2020年04月08日 10時16分 閱讀次數:2910 次
| 該規格活動鉸鏈主要適用于3030規格鋁型材之間的可活動鏈接,可以通過該緊固連接配件實現鋁型材框架結構的活動連接功能,實現一些特殊的固定連接效果; |
![]() ![]()
|
| 3030系列鋁型材活動鉸鏈連接配件分為兩種規格,其主要區別體現在配件材質不同,分為鑄鋁和碳鋼材質,配件的優勢體現在功能型和配件物理強度方面,是較為常用的鋁型材配件之一; |
|
槽型規格
|
材質
|
訂貨編號
|
|
槽8
|
碳鋼(表面鍍鋅)
|
CE-PJ30
|
聯系APAS/ Contact us
天津艾普斯工業鋁型材股份有限公司
聯系電話:022-87920088
企業傳真:(避免惡意廣告)請聯系該企業網絡管理員
服務熱線:13702119190 (24小時服務熱線)
Q Q:534973906
企業郵箱: lxc@apas.com.cn
企業地址:天津市西青經濟技術開發區賽達國際工業城A3-2
聯系電話:022-87920088
企業傳真:(避免惡意廣告)請聯系該企業網絡管理員
服務熱線:13702119190 (24小時服務熱線)
Q Q:534973906
企業郵箱: lxc@apas.com.cn
企業地址:天津市西青經濟技術開發區賽達國際工業城A3-2
采購意向留言:* 為必填















QQ咨詢
電話聯系
聯系電話

在線留言
樣冊下載
