鋁型材配件
Product accessories
Product accessories
聯系APAS / Contact us
- 地址:天津市西青經濟技術開發區賽達國際工業城A3-2.
- 郵箱:lxc@apas.com.cn
- 電話:022-87920088
- 傳真:請聯系網絡管理員
- 郵編:300385
- 咨詢熱線:13702119190(24小時服務熱線)
鋁型材門窗配件 / Industrial Closure
產品名稱 / Name
可調節合頁
產品描述 / Describe
可調節合頁是一種應用于工業鋁型材框架結構開關/閉合(門、窗、檢修/維護通道)結構的活動連接配件產品,可實現框架開關功能,常用于安全圍欄、設備防護罩等領域;
022-87920088
可以根據需求進行設計加工,提供上門安裝服務;可以根據特殊需求進行鋁型材開模定制。
* 免費提供工業鋁型材選型手冊 →點擊咨詢
|
|
| 可調節合頁是一種應用較為微靈活的閉合配件,主要適用于6063-T5系列工業鋁型材所設計搭建框架產品門、窗、維修口等需要閉合功能的結構實現,可以實現不同規格型材之間的連接使用,同時也可以實現型材與板材之間的緊固連接; |
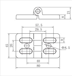
| 產品特點:可調節合頁為橢圓形安裝工藝孔,可以根據連接需求自由調整安裝間距,實現不同規格型材之間的交互連接,應用較為靈活; |
| 安裝要求:可調節合頁安裝不需要對型材進行加工處理,只需要根據其技術參數搭配半圓頭螺栓及彈性螺母即可實現快速安裝;采用彈性螺母的目的是可以將合頁固定于指定安裝點,便于緊固連接; |
| 產品材質:鋅合金材質,表面進行涂裝處理; |
| 產品特性:鋅合金屬于鑄造金屬材料,塑型能力強,可以根據需求實現多種外觀要求; |
| 產品顏色:銀白色或黑色,同時也可以根據需求進行涂裝處理,滿足多種顏色需求; |
![]() ![]()
|
|
(可調節合頁技術參數)
|
|
產品名稱
|
材質
|
訂貨編號
|
|
可調節合頁
|
鋅合金
|
CE-H4040T-ZN
|
|
可調節合頁是一種鋅合金金屬合頁,具有較強的物理強度,與工業鋁型材連接需要搭配半圓頭螺栓及彈性螺母,其規格需要根據型材槽形規格進行選擇,也可以采用其它緊固連接件進行固定,依據客戶需求而定; |
聯系APAS/ Contact us
天津艾普斯工業鋁型材股份有限公司
聯系電話:022-87920088
企業傳真:(避免惡意廣告)請聯系該企業網絡管理員
服務熱線:13702119190 (24小時服務熱線)
Q Q:534973906
企業郵箱: lxc@apas.com.cn
企業地址:天津市西青經濟技術開發區賽達國際工業城A3-2
聯系電話:022-87920088
企業傳真:(避免惡意廣告)請聯系該企業網絡管理員
服務熱線:13702119190 (24小時服務熱線)
Q Q:534973906
企業郵箱: lxc@apas.com.cn
企業地址:天津市西青經濟技術開發區賽達國際工業城A3-2
采購意向留言:* 為必填















QQ咨詢
電話聯系
聯系電話

在線留言
樣冊下載
